| cena eshop s DPH : | 1,84 € |
| cena na prodejně : | 1,89 € |
| sleva : | 2,92 % |
množstevní slevy eshop (€) |
||
počet | bez DPH | vč. DPH |
1 ks | 1,52 | 1,84 |
od 5 ks |
1,28 | 1,55 |
od 20 ks |
1,12 | 1,36 |
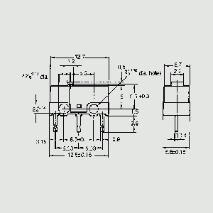
Mikrospínač 30V/0.1A bez páčky
Konfigurace kontaktů: SPDT (1x přepínací kontakt)
Zatížitelnost kontaktů DC: 100mA / 30VDC
Způsob přepínání: ON-(ON)
Frekvence spínání: 30 sepnutí/min.
Zkušební napětí: 1500V AC po dobu 1min
Elektrická životnost: 30.000 sepnutí
Mechanická životnost: 1.000.000 sepnutí
Rozsah pracovních teplot: -25...85°C
Síla stisku: 1,47N
Stupeň krytí: IP40
Rozměry: 12,8x6x5,8mm
Rozteč vývodů: 5mm
Výrobce: OMRON
Elektronické součástky Zdroje energie
Spínače DIP


přidat do mého seznamu oblíbených položek