| Katalog : | 5102-208 |
| Dostupnost : | na objednávku |
| (obvyklá max. doba dodání : 3-5 dnů) | |
přidat do mého seznamu oblíbených položek
nastavit hlídacího psa = pošle mail jakmile bude položka naskladněna
| cena eshop s DPH : | 11,13 € |
| cena na prodejně : | 11,50 € |
| sleva : | 3,18 % |
množstevní slevy eshop (€) |
||
počet | bez DPH | vč. DPH |
1 ks | 9,20 | 11,13 |
od 5 ks |
5,69 | 6,88 |
Relé bistabilní 12VDC, 5A, 1x přepínací kontakt, 1x cívka
Konfigurace kontaktů: SPDT (1x přepínací kontakt)
Jmenovité napětí cívky: 12V DC
Zatížitelnost kontaktů AC (při odporové zátěži): 5 A / 250 VAC
Zatížitelnost kontaktů DC (při odporové zátěži): 5 A / 30 VDC
Max. proud kontaktů: 5A
Spínané napětí: max 440V AC, max 220V DC
Verze relé: bistabilní, miniaturní
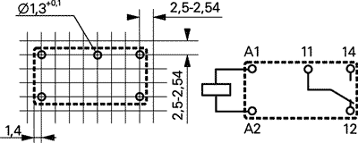
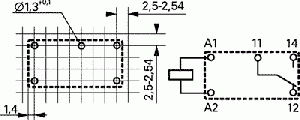
Montáž: PCB
Odpor cívky: 650 Ohm
Vnější rozměry: 20 x 10 x 10mm
Příkon přes cívku: 200mW
Pracovní teplota: -40...70°C
Spínaný výkon: 1.25kVA
Materiál kontaktu: AgNi 90/10
Rozteč vývodů: 7.62mm
Vlastností relé: jedna cívka
Doba přepnutí: 20ms
Polarizace: vývody cívky A1 + (plus), A2 - (mínus)
Reset: vývody cívky A1 - (mínus), A2 + (plus)
Elektronické součástky Zdroje energie
220...240VAC stř.

