| Katalog : | 5102-2071 |
| Dostupnost : | na objednávku |
| (obvyklá max. doba dodání : 3-5 dnů) | |
přidat do mého seznamu oblíbených položek
nastavit hlídacího psa = pošle mail jakmile bude položka naskladněna
| cena eshop s DPH : | 4,76 € |
| cena na prodejně : | 4,91 € |
| sleva : | 3,05 % |
množstevní slevy eshop (€) |
||
počet | bez DPH | vč. DPH |
1 ks | 3,94 | 4,76 |
od 10 ks |
2,50 | 3,02 |
Relé 24VDC, 5A, 1x spínací kontakt
Konfigurace kontaktů: SPST-NO (1x spínací kontakt, v klidu rozepnutý)
Jmenovité napětí cívky: 24V DC
Zatížitelnost kontaktů AC (při odporové zátěži): 5 A / 250 VAC
Zatížitelnost kontaktů DC (při odporové zátěži): 5 A / 30 VDC
Max. proud kontaktů: 5A
Spínané napětí: max 270V AC, max 150V DC
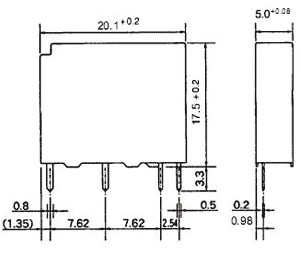
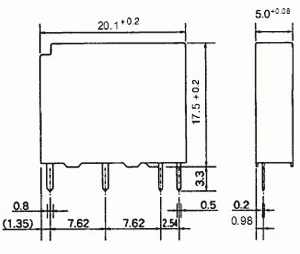
Montáž: PCB
Odpor cívky: 4800 ohm
Doba sepnutí: 10ms
Doba rozepnutí: 5ms
Vnější rozměry: 20.1 x 5 x 17.5mm
Pracovní teplota: -40...90°C
Příkon přes cívku: 120mW
Mechanická trvanlivost: 2000000cyklů
Materiál kontaktu: AgNi/Au (povrch zlacený)
Odpor kontaktů: 30mOhm
Rozteč vývodů: 7.62mm
Výrobce: Fujitsu Takamisawa
Elektronické součástky Zdroje energie
3VDC

