| Katalog : | 5102-0127 |
| Dostupnost : | na objednávku |
| (obvyklá max. doba dodání : 3-5 dnů) | |
přidat do mého seznamu oblíbených položek
nastavit hlídacího psa = pošle mail jakmile bude položka naskladněna
| cena eshop s DPH : | 1,95 € |
| cena na prodejně : | 2,04 € |
| sleva : | 4,39 % |
množstevní slevy eshop (€) |
||
počet | bez DPH | vč. DPH |
1 ks | 1,61 | 1,95 |
od 10 ks |
1,24 | 1,50 |
od 25 ks |
0,95 | 1,15 |
Subminiaturní relé 5VDC, 1A, 1x přepínací kontakt
Konfigurace kontaktů: SPDT (1x přepínací kontakt)
Jmenovité napětí cívky: 5V DC
Zatížitelnost kontaktů AC (při odporové zátěži): 0.5 A / 125 VAC
Zatížitelnost kontaktů DC (při odporové zátěži): 1 A / 24 VDC
Max. proud kontaktů: 1A
Spínané napětí: max 24V DC, max 125V AC
Montáž: PCB
Odpor cívky: 167 Ohm
Doba sepnutí: 4ms
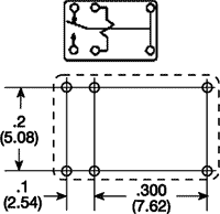
Vnější rozměry: 12.4 x 7.4 x 9.9mm
Doba rozepnutí: 3ms
Pracovní teplota: -25...55°C
Odpor kontaktů: 100mOhm
Materiál kontaktu: AgCdO
Rozteč vývodů: 2.54mm
Proud cívky: 30mA
Podobné relé: RSM957-5, G5V1-05
Elektronické součástky Zdroje energie
Relé jazýčková

