ZDROJ 12V 1.6A 20W HL1216 LC
| Katalog : | 5205-174 |
| Dostupnost : | na objednávku |
přidat do mého seznamu oblíbených položek
Jakmile bude položka naskladněna, přijde Vám zpráva.
nastavit hlídacího psa = pošle mail jakmile bude položka naskladněna
| cena eshop s DPH : | 8,52 € |
| cena na prodejně : | 8,64 € |
| sleva : | 1,41 % |
množstevní slevy eshop (€) |
||
počet | bez DPH | vč. DPH |
1 ks | 7,04 | 8,52 |
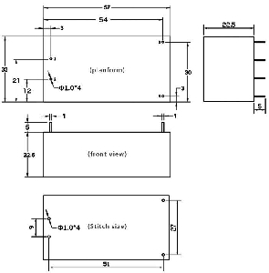
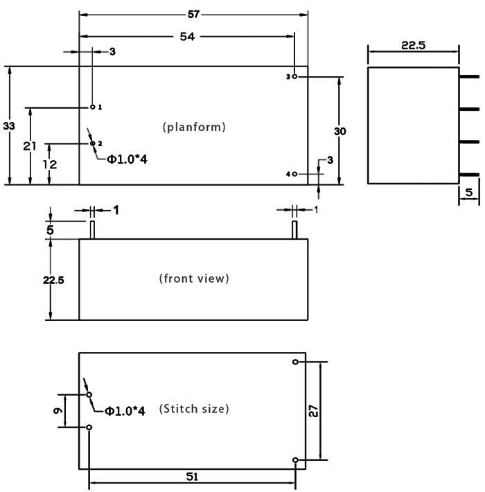
Stabilizovaný spínaný vestavný zdroj do plošného spoje.
Vstup: 100...240Vstř.
Výstup: 12Vss.
Max. výstupní proud: 1,6A
Max. výkon: 20W
Ochrana proti zkratu a přetížení, izolovaný.
Rozměry: 58x33x24mm
Elektronické součástky Zdroje energie
15V

