B600V25A-P diodový můstek
| Katalog : | 1103-0078 |
| Dostupnost : | na objednávku |
| (obvyklá max. doba dodání : 3-5 dnů) | |
přidat do mého seznamu oblíbených položek
Jakmile bude položka naskladněna, přijde Vám zpráva.
nastavit hlídacího psa = pošle mail jakmile bude položka naskladněna
| cena eshop s DPH : | 1,28 € |
| cena na prodejně : | 1,32 € |
| sleva : | 2,91 % |
množstevní slevy eshop (€) |
||
počet | bez DPH | vč. DPH |
1 ks | 1,06 | 1,28 |
od 5 ks |
0,84 | 1,02 |
od 30 ks |
0,72 | 0,87 |
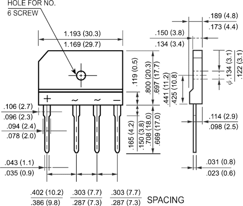
Diodový usměrňovací můstek
420Vef (600Vdc) / 25A
Plochý, vývody: +/st/st/-.
Rozteč vývodů 10/7,5/7,5mm, rozměry 30x20x4,6(3,6)mm
Elektronické součástky Zdroje energie
Diodové můstky SMD

