B1000V10A-P-10mm diodový můstek
| cena eshop s DPH : | 1,65 € |
| cena na prodejně : | 1,70 € |
| sleva : | 2,92 % |
množstevní slevy eshop (€) |
||
počet | bez DPH | vč. DPH |
1 ks | 1,37 | 1,65 |
od 5 ks |
0,88 | 1,07 |
od 40 ks |
0,71 | 0,85 |
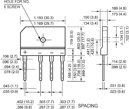
Diodový usměrňovací můstek
700Vef (1000Vdc) / 10A
Plochý, vývody: +/st/st/-.
Rozteč vývodů 10/7,5/7,5mm, rozměry 30x20x4,6(3,6)mm
Elektronické součástky Zdroje energie
Diodové můstky SMD


přidat do mého seznamu oblíbených položek